A diagram showing the Classic Mini disk brake assembly.






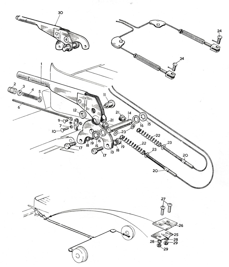
Exploded view of the Handbrake Mechanism
- Brake lever
- Release knob
- Felt anti-rattle washer
- Spring
- Plain washer
- Release rod
- Plain waher
- Pawl
- Rivet
- Pawl to pivot rivet
- Fulcrum pin
- Washer
- Ratchet
- Trunnion
- Trunnion washer
- Trunnion
- Lever to floor bolts
- Spring washers
- Nuts
- Hand brake cable
- Adjusting nut
- Adjusting spring
- Plain washer
- Clevis pin
- Hand brake cable fairlead
- Sealing pad
- Fairlead to floor screws (Philips)
- Spring washer
- Nut
- Handbrake lever assembly